Фильтр сетчатый фланцевый "грязевик" DN(Ду)15-600, PN(Ру)16. Фильтры сетчатые серии ABRA-YF-3016-D. Фильтр сетчатый фланцевый чугунный. Фильтр фланцевый. Фильтр чугунный.
Корпус - чугун GG25. Сетка - нержавеющая сталь. Фланцы по ГОСТ 12815-80 (обычные) Ру 16. Присоединительные отверстия фланцев по ГОСТ в Ру16 и Ру10 для Ду15-150 совпадают. ГОСТ-а на строительные длины на фильтры не существует. Строительные длины наших фильтров указаны в таблице ниже.
Материалы: Подробное описание.
Технические данные: Подробное описание.
|
Разрешительная документация (ссылка)
Присоединительные размеры: Подробное описание. . |
Безупречный внешний вид: фильтр ABRA-YF-3016-D
сетчатого фланцевого чугунного:
|
Рабочие среды и применения:
Фильтр ABRA-YF-3016-D подходит:
- как фильтр для холодного водоснабжение (ХВС),
- как фильтр для горячего водоснабжения (ГВС),
- как фильтр для теплоснабжения с любым стандартным теплоносителем (включая антифризы),
- как фильтр для отопления с любым стандартным теплоносителем (включая антифризы)
- для пара, паровых систем (паровых линий, паропроводов) до 300°C,
- для конденсатных линий,
- для технологического водоснабжения,
- для газопроводов нейтральных и инертных газов, включая природный (натуральный) газ,
- для систем водоподготовки и водозабора,
- для транспортировки минеральных и синтетических масел
- для многих других применений в соответствии с конструкцией и материалами фильтра
По запросу возможна поставка фильтра сетчатого "косого" чугунного ABRA с дренажным краном:
Выбор фильтра сетчатого ABRA это: Разумно, Выгодно, Просто, Качественно, Надежно, Удобно, Экономно, Обоснованно, Доступно |
|
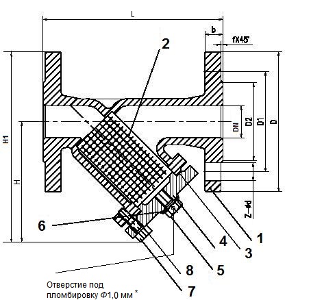
Чертеж габаритный фильтра ABRA-YF-3016-D сетчатого
фланцевого чугунного ( размеры в таблице ниже):  |
Условное графическое изображение фильтра сетчатого фланцевого чугунного на чертежах и схемах
|

|

|
|
Вариант 1. |
Вариант 2. |
 |
| *Наличие отверстия в пробке фильтра под пломбировку необходимо указывать при заказе. |
Габаритные размеры, вес и Kv (таблица) ABRA-YF-3016-D сетчатого фланцевого чугунного. Размеры в мм. Таблица.
| Ду / DN |
15 |
20 |
25 |
32 |
40 |
50 |
65 |
80 |
100 |
125 |
150 |
200 |
250 |
300 |
350 |
400 |
500 |
600 |
| Ру / PN |
16 |
|
Максимально допустимая температура +300 °C,
Минимальная температура окружающей среды -20 °C, |
Макс: 180 °C,
Мин: -20 °C, |
| Код товара |
ABRA-
YF-
3016-
D015 |
ABRA-
YF-
3016-
D020 |
ABRA-
YF-
3016-
D025 |
ABRA-
YF-
3016-
D032 |
ABRA-
YF-
3016-
D040 |
ABRA-
YF-
3016-
D050 |
ABRA-
YF-
3016-
D065 |
ABRA-
YF-
3016-
D080 |
ABRA-
YF-
3016-
D100 |
ABRA-
YF-
3016-
D125 |
ABRA-
YF-
3016-
D150 |
ABRA-
YF-
3016-
D200 |
ABRA-
YF-
3016-
D250 |
ABRA-
YF-
3016-
D300 |
ABRA-
YF-
3016-
D350 |
ABRA-
YF-
3016-
D400 |
ABRA-
YF-
3016-
D500 |
ABRA-
YF-
3016-
D600 |
| L - строительная длина |
130 |
150 |
160 |
180 |
200 |
230 |
290 |
310 |
350 |
400 |
480 |
600 |
730 |
850 |
980 |
1100 |
1250 |
1450 |
| Н - строительная высота (от оси трубы) |
72 |
80 |
90 |
105 |
112 |
135 |
165 |
195 |
230 |
280 |
330 |
390 |
450 |
562 |
640 |
700 |
884 |
1022 |
| Н1 - габаритная высота (от конца фланца) |
115 |
133 |
148 |
175 |
187 |
218 |
258 |
295 |
340 |
405 |
473 |
560 |
653 |
792 |
900 |
990 |
1242 |
1442 |
Z - ød Присоединительные отверстия
фланцев (диаметр и количество
на каждом фланце) |
14 /
4шт. |
Ø 18 /
4шт. |
Ø 18 /
8шт. |
Ø 23 /
8шт. |
Ø 23 /
12шт. |
Ø 27 /
12шт. |
Ø 27 /
16шт. |
Ø 30 /
16шт. |
Ø 34 /
20шт. |
Ø 37 /
20шт. |
| f - высота присоединительного выступа |
2 |
3 |
4 |
5 |
| b - толщина фланца |
14 |
16 |
18 |
20 |
22 |
24 |
26 |
30 |
32 |
36 |
38 |
31,5 |
36 |
D2 - внешний диаметр
присоединительного выступа |
47 |
58 |
68 |
78 |
88 |
102 |
122 |
138 |
158 |
188 |
212 |
268 |
320 |
378 |
438 |
490 |
609 |
720 |
D1 - межосевое расстояние
сквозных отверстий фланца |
65 |
75 |
85 |
100 |
110 |
125 |
145 |
160 |
180 |
210 |
240 |
295 |
355 |
410 |
470 |
525 |
650 |
770 |
| D - внешний диаметр фланца |
95 |
105 |
115 |
140 |
150 |
165 |
185 |
200 |
220 |
250 |
285 |
340 |
405 |
460 |
520 |
580 |
715 |
840 |
| Размер отверстия в сетке, мм |
0,8 |
1,5 |
2,0 |
3,0 |
4,0 |
| Кv, м3/час стандартное исполнение |
5,35 |
9,55 |
16,55 |
20,1 |
33,1 |
54,1 |
95,1 |
140,1 |
201,1 |
340,1 |
526,1 |
870,1 |
1260,1 |
1735,1 |
2250 |
2950 |
4609 |
6640 |
| Кv, м3/час с сеткой 0,5 мм |
5,05 |
9,05 |
14,85 |
18,1 |
30,1 |
48,1 |
85,1 |
131,5 |
189,5 |
320,5 |
494,5 |
818,5 |
1185 |
1632 |
2220 |
2899 |
- |
- |
| Кv, м3/час с сеткой 4 мм |
5,51 |
9,84 |
17,05 |
20,7 |
34,1 |
55,7 |
98,0 |
144,3 |
207,1 |
350,3 |
541,9 |
896,2 |
1298 |
1787 |
2287 |
2986 |
- |
- |
| Кv, м3/час с магнитной вставкой |
-10% |
-8% |
- |
- |
| Вес, кг /шт. |
2,2 |
2,7 |
3,7 |
5,6 |
7,6 |
10,1 |
14,8 |
18,5 |
26,2 |
40,0 |
55,0 |
93,0 |
158,0 |
250,0 |
320,0 |
400,0 |
580,00 |
840,00 |
 |
Спецификация, размер и количество деталей и материалов. Таблица:
| Номер на чертеже |
Наименование |
Кол-во |
Материал |
| 1 |
Корпус Ду 15-400 |
1 |
Чугун DIN GG25 = JIS FC250 = W.-nr. 0.6025 = BS Grade 260 =
AFNOR Ft 25 D = UNI G25 = UNE FG25 = SS 0125 = ANSI/SAE No 35 B = GB HT250 |
| 1 |
Корпус Ду 500-600 |
1 |
Чугун DIN GGG40 = EN-GJS-450-10 |
| 2 |
Сетка
(размеры фильтрующего элемента) |
1 |
Нержавеющая стальJIS SUS304 = W.-nr.1.4350 = DIN X5CrNi189 =
BS 304S11 = EN 58E = AFNOR Z6CN18.09 = UNI X5CrNi1810 =
UNE F.3551 = UNE F.3541 = UNE F.3504 = SS 2332 = AISI/SAE 304 = GB OCr18Ni9 |
| 3 |
Прокладка крышки
(размеры в таблице ниже) |
1 |
СНП = Спирально-навитая Терморасширенный графит (ТРГ) + SS316 |
| 4 |
Крышка фильтра |
1 |
Чугун DIN GG25 / (GGG40 для Ду500 и Ду600) |
| 5 |
Сливная пробка крышки
(размеры в таблице справа) |
1 |
Конструкционная качественная углеродистая сталь GB A3 -
по механическим свойствам, как GB Q235, ГОСТ Ст.20, DIN St.37,
UNS K 02502, AISI 1020, A-216 WCB |
| 6 |
Прокладка сливной пробки
крышки (размеры в таблице справа) |
1 |
EPDM - кольцо
| DN |
D внеш, мм |
D внутр, мм |
Ø / толщина, мм |
| 15-80 |
14 |
8 |
3 |
| 100-150 |
18 |
12 |
3 |
| 200-400 |
25 |
19 |
3 |
|
| 7 |
Болты крепежные крышки |
см. таблицу ниже |
Конструкционная качественная углеродистая сталь GB A3 -
по механическим свойствам, как GB Q235, ГОСТ Ст.20, DIN St.37,
UNS K 02502, AISI 1020, A-216 WCB |
| 8 |
Шайба болтов крепежных
крышки (размеры в таблице ниже) |
см. таблицу ниже |
Конструкционная качественная углеродистая сталь GB A3 -
по механическим свойствам, как GB Q235, ГОСТ Ст.20, DIN St.37,
UNS K 02502, AISI 1020, A-216 WCB |
|
|

|
| Размер и количество основных деталей фильтра ABRA-YF-3016-D сетчатого фланцевого чугунного. |
|
Номер детали на чертеже и наименование |
| DN |
Прокладка
крышки (3)
(цены на прокладки) |
Сливная пробка
крышки (5) |
Болты крепежные
крышки (7) |
| 15 |
Спирально-навитая прокладка (СНП)
31 x 19 х 3,5 мм |
G 3/8" (обычная трубная дюймовая резьба) |
М8х20 / 4 шт. |
| 20 |
СНП 38 x 24 х 3,5 мм |
G 1/2" (обычная трубная дюймовая резьба |
| 25 |
СНП 45 x 30 х 3,5 мм |
М8х25 / 4 шт. |
| 32 |
СНП 51 x 36 х 3,5 мм |
М8х30 / 4 шт. |
| 40 |
СНП 61 x 42 х 3,5 мм |
| 50 |
СНП 73 x 55 х 3,5 мм |
М10х30 / 4 шт. |
| 65 |
СНП 94,5 x 81 х 3,5 мм |
М10х35 / 4 шт. |
| 80 |
СНП 108 x 92 х 3,5 мм |
G 3/4" (обычная трубная дюймовая резьба) |
М12х35 / 4 шт. |
| 100 |
СНП 131,5 x 105 х 3,5 мм |
М12х40 / 6 шт. |
| 125 |
СНП 162 x 140 х 3,5 мм |
М16х45 / 6 шт. |
| 150 |
СНП 192 x 166 х 3,5 мм |
| 200 |
СНП 234 x 204 х 3,5 мм |
М16х50 / 8 шт. |
| 250 |
СНП 294 x 274 х 3,5 мм |
М16х55 / 10 шт. |
| 300 |
СНП 344 x 316 х 3,5 мм |
М16х60 / 12 шт. |
| 350 |
СНП 395 x 366 х 3,5 мм |
G 1" (обычная трубная дюймовая резьба) |
М18х70 / 12 шт. |
| 400 |
СНП 450 x 416 х 3,5 мм |
М18х70 / 12 шт. |
| 500 |
Прокладка из паронита
525 х 605 х 3-5 мм |
R 2" (BSPT) |
Шпилька/Гайка
М46 / 18 шт. |
| 600 |
Прокладка из паронита
625 х 705 х 3-5 мм |
R 2" (BSPT) |
Шпилька/Гайка
М46 / 20 шт. |
|
 |
|
Разрешенные и запрещенные положения в установке фильтра ABRA-YF-3016-D сетчатого фланцевого чугунного


|
Диаграмма Давление / Температура для фильтра ABRA-YF-3016-D сетчатого фланцевого чугунного:

!Ду500-600: Максимально допустимая температура: 180 °C / Минимальная температура окружающей среды: -20 °C!
Диаграмма определяет рабочую область для фильтра сетчатого фланцевого чугунного ABRA-YF-3016-D в координатах Давление (в барах приборного) / Температура (° C). |
|
(ссылка) Таблица замены (взаимозаменяемости по габаритным и присоединительным размерам) для фильтра сетчатого чугунного фланцевого ABRA-YF-3016-D |
Таблица: Описание присоединительных размеров + подходящих стандартов деталей крепежа и присоединения фильтра ABRA-YF-3016-D сетчатого фланцевого чугунного. Все размеры в мм:
| Тип присоединения: |
ответные фланцы согласно таблице ниже |
Строительная длина
(расстояние между
ответными фланцами) |
Размер L на габаритном чертеже и в таблице |
Количество сквозных
отверстий на каждом
фланце (КСО) |
Параметр Z - ød на габаритном чертеже и в таблице |
Диаметр сквозных
отверстий на фланце |
Требвания к
ответному крепежу: |
Ду15 |
Ду20 |
Ду25 |
Ду32 |
Ду40 |
Ду50 |
Ду65 |
Ду80 |
Ду100 |
Ду125 |
Ду150 |
Ду200 |
Ду250 |
Ду300 |
Ду350 |
Ду400 |
Ду500 |
Ду600 |
Размер болта.
ГОСТ 7798-70 и ГОСТ10602-94 |
M12x
45 |
М12х
50 |
М12х
50 |
М16х
60 |
М16х
60 |
М16х
65 |
М16х
65 |
М16х
65 |
М16х
70 |
М16х
70 |
М20х
80 |
М20х
80 |
М24х
90 |
М24х
90 |
М24х
100 |
М27х
110 |
М30х
130 |
М36х
140 |
Рекомендуемая
длина шпильки
(для тех, кто
не любит болты) |
М12х
60 |
М12х
70 |
М12х
70 |
М16х
80 |
М16х
80 |
М16х
80 |
М16х
80 |
М16х
90 |
М16х
90 |
М16х
90 |
М20х
100 |
М20х
100 |
М24х
120 |
М24х
120 |
М24х
120 |
М27х
130 |
М30х
170 |
М36х
170 |
Размер гайки
(!для каждой шпильки
- двух гаек) |
М12 |
М12 |
М12 |
М16 |
М16 |
М16 |
М16 |
М16 |
М16 |
М16 |
М20 |
М20 |
М24 |
М24 |
М24 |
М27 |
М30 |
М36 |
Стандартный размер
(диаметр внешний/
внутренний/толщина)
и обозначение прокладки
ответного фланца
(ГОСТ 15180-86) |
50/
20/
2
А-
15-
16 |
60/
25/
2
А-
20-
16 |
69/
29/
2
А-
25-
16 |
81/
38/
2
А-
32-
16 |
91/
45/
2
А-
40-
16 |
106/
57/
2
А-
50-
16 |
126/
75/
2
А-
65-
16 |
141/
87/
2
А-
80-
16 |
161/
106/
2
А-
100-
16 |
191/
132/
2
А-
125-
16 |
216/
161/
2
А-
150-
16 |
271/
216/
2
А-
200-
16 |
327/
264/
2
А-
250-
16 |
382/
318/
2
А-
300-
16 |
442/
372/
2
А-
350-
16 |
495/
421/
2
А-
400-
16 |
615/
528/
2
А-
500-
16 |
728/
620/
2
А-
600-
16 |
Минимальный внутренний
диаметр прокладки
ответного фланца ,мм |
20 |
25 |
29 |
38 |
45 |
57 |
75 |
87 |
106 |
132 |
161 |
216 |
264 |
318 |
356 |
407 |
524 |
620 |
Максимальный наружный
диаметр прокладки
ответного фланца, мм |
51 |
61 |
71 |
82 |
92 |
107 |
127 |
142 |
162 |
192 |
218 |
273 |
328 |
384 |
444 |
495 |
617 |
730 |
|
|
|
|
Подходящие стандарты ответных фланцев и исключения:
| Стандарт |
Пояснения |
Подходящие типы по этому стандарту |
Ру или PN ответных фланцев |
Ду или DN ответных фланцев |
| ГОСТ 33259, ГОСТ Р 54432 |
"новые" стандарты на фланцы |
Все типы (Тип 01,Тип 02,Тип 03, Тип 04, Тип 11,Тип 21), исполнения только A и B. В Ду65 следует брать фланец Ряд 1 по ГОСТ 33259, потому, что у него 4 отверстия, как и у нашего фильтра. Если попадется Ряд 2, то у него 8 отверстий - применимо, но не так эстетично.
(обычные "плоские" фланцы ) |
PN(Py) 1,6 Мпа = PN(Py) 16 кгс/см2 |
Такой же, как и DN (Ду) фильтра ABRA |
| ГОСТ 12815-80 |
Описывает присоединительные размеры и размеры уплотнительных поверхностей (но не тип фланцев) |
Исполнение 1, ряд 1, ряд 2 для всех Ду (DN), кроме Ду80. В Ду80 следует брать фланец Ряд 1 по ГОСТ, потому, что у него 8 отверстий, как и у нашего фильтра. Если попадется Ряд 2, то у него только 4 отверстия - применимо, но не так эстетично.
(обычные "плоские" фланцы ) |
| ГОСТ 12820-80 - самые распространенные |
Стальные плоские приварные фланцы |
| ГОСТ 12821-80 - распространенные |
Стальные приварные встык (=воротниковые) фланцы |
| ГОСТ 12822-80 - можно встретить |
Стальные свободные на приварном кольце фланцы |
| ГОСТ 12819-80 - очень редко встречается |
Литые стальные фланцы |
| ГОСТ 12817-80 - очень редко встречается |
Литые из серого чугуна фланцы |
| ГОСТ 12818-80 - очень редко встречается |
Литые из ковкого чугуна фланцы (максимум Ду 80) |
| DIN 2501 (DIN 2633 для Ру16) / EN 1092-1 |
Описывает присоединительные размеры и размеры уплотнительных поверхностей |
Form A, Form B (B1 и B2) - описывает присоединительную поверхность (обычные "плоские" фланцы )
Type - любой, если форма (Form) = см. выше |
PN16 |
| DIN 2526 - устарел и заменен на EN 1092-1 |
Описывает присоединительные размеры и размеры уплотнительных поверхностей |
Form A, B, C, D, E (обычные "плоские" фланцы ) |
| Старые DIN, с присоединительными поверхностями по DIN 2526 (существовавшие до введения EN 1092) |
Описывают различные типы фланцев |
Form A, B, C, D, E (обычные "плоские" фланцы ) |
|
Инструкция по монтажу, установке и эксплуатации фильтра ABRA-YF-3016-D сетчатого фланцевого чугунного:
- Монтаж и эксплуатация.
- К монтажу и эксплуатации фильтра ABRA-YF-3016-D сетчатого фланцевого чугунного допускаются лица, изучившие настоящую документацию и прошедшие инструктаж по соблюдению правил техники безопасности.
- До начала монтажа необходимо произвести осмотр фильтра ABRA-YF-3016-D сетчатого фланцевого чугунного. При обнаружении повреждений, дефектов, полученных в результате неправильной транспортировки или хранения, ввод фильтра ABRA-YF-3016-D сетчатого фланцевого чугунного в эксплуатацию без согласования с продавцом не допускается.
- Условия монтажа.
- Перед установкой удалите пластиковые заглушки.
- Фильтр сетчатый на горизонтальном трубопроводе устанавливается в горизонтальном положении крышкой вниз. На горизонтальном паропроводе необходима установка крышкой вбок во избежание заполнения стакана фильтра конденсатом. Установка в вертикальном положении возможна только при направлении потока сверху вниз.
- Направление потока среды через фильтр фланцевый должно совпадать со стрелкой на корпусе фильтра.
- Фланцевые соединения следует затягивать равномерно в три или даже четыре прохода, последовательностью «крест-накрест». см. подробную инструкцию на сайте наших партнеров.
- При снижении фиксирующей нагрузки во фланцевом соединении в результате релаксации в прокладке или крепеже или в случаях, когда технологический процесс является выражено циклическим по температуре или давлению, может понадобиться дополнительная подтяжка соединения через некоторое время после начала эксплуатации или, в особо сложных случаях, комплектация крепежа мощными тарельчатыми пружинными шайбами.
- Условия эксплуатации:
- Для быстрой очистки фильтра сетчатого от накопившихся загрязнений можно использовать сливную пробку, расположенную на крышке фильтра. Для удобства обслуживания фильтра без отключения системы вместо пробки возможна установка сливного крана. В случае отсутствия такого крана, пробку можно открывать только при отключенной системе.
- В зависимости от качества рабочей среды и требований к условиям эксплуатации защищаемого оборудования, фильтр фланцевый должен подвергаться сервисному обслуживанию, как правило, не реже одного раза в год. При установке фильтра сетчатого с ячейкой сетки размером менее стандартной фильтр должен подвергаться сервисному обслуживанию не реже двух раз в год.
- При загрязнении перепад давления на сетке фильтра любого производителя резко увеличивается
- Для полной очистки фильтра необходимо снять крышку и извлечь сетку. Затем сетку необходимо промыть под струей воды для удаления посторонних частиц, осмотреть повреждения, при необходимости - заменить. При последующей установке крышки рекомендуется использовать новую прокладку.
- Условия транспортировки и хранения.
- Хранение и транспортировка должна осуществляться без ударных нагрузок при температуре: -40…+65 °С.
- Не допускается попадание посторонних предметов внутрь или падений фильтра ABRA-YF-3016-D сетчатого фланцевого чугунного.
- Изделие должно храниться в незагрязненном помещении и быть защищено от воздействия атмосферных осадков.
- При транспортировке корпус фильтра ABRA-YF-3016-D сетчатого фланцевого чугунного должен быть защищены от повреждений.
- Внимание!
- Не прикасайтесь к работающему изделию в связи с тем, что возможен нагрев поверхностей.
- Перед началом технического обслуживания или демонтажом убедитесь, что изделие не находится под давлением и не имеет высокую температуру.
- Не удаляйте с фильтра ABRA-YF3016-D сетчатого фланцевого чугунного ярлык с маркировкой.
- Гарантийные обязательства и срок службы.
- Гарантийный срок на фильтр при соблюдении потребителем правил транспортировки, хранения, монтажа и эксплуатации устанавливается 12 месяцев с момента ввода в эксплуатацию, но не более 18 месяцев с момента продажи.
- Расчетный срок службы фильтров сетчатых при соблюдении рабочих диапазонов согласно паспорту/инструкции по эксплуатации и проведении необходимых сервисных работ – 10 лет с даты продажи, указанной в транспортных документах
- Все вопросы, связанные с гарантийными обязательствами обеспечивает предприятие-продавец.
Фильтр фланцевый чугунный сетчатый. |
|