Затвор дисковый поворотный чугунный ABRA BUV-VF826DxxxG с редуктором DN(Ду)700-1200 PN(Ру)10 и PN(Ру)16, корпус GGG40 / диск GGG40 / седло EPDM межфланцевый. Строительная длина EN558-1 GR (серия) 20 = ISO 5752 "short"
Конструктивные решения и стабильное качество производства обеспечивает поворотным затворам ABRA-BUV самую высокую степень герметичности – класс «А» (по ГОСТ 54808 и ГОСТ 9544).
- Жесткая посадка диска на шток. Никаких заклепок, пинов, крепежных пальцев.
- Высокая герметичность. Мощная и надежная конструкция.
| Разрешительная документация (ссылка). |
Прайс-лист и наличие на складе
 |
Основные области применения таких затворов - для трубопроводов, транспортирующих воду, теплоносители и нейтральные среды, в том числе газы, такие как воздух, азот и т.д..
- Затворы проходят двойной контроль качества - после гидроиспытаний дополнительно испытываются воздухом
- Малое гидравлическое сопротивление затворов ABRA обеспечивает великолепные гидравлические характеристики.
- Поворотный затвор межфланцевый ABRA - это запорно-реулирующая трубопроводная арматура с минимальной практически достижимой строительной длиной.
- Высокое качество изготовления и проверенные материалы конструкции обеспечивают отличные эксплуатационные характеристики.
- Конструкция поворотного затвора ABRA обеспечивает при необходимости полную разборность.
- Очевидно, что в силу соображений симметрии, затвор поворотный дисковый чугунный ABRA допускает возможность подачи среды в любом направлении.
- Поворотные затворы ABRA, в основном, применяются в системах тепло-, водоснабжения, вентиляции и кондиционирования. Подробнее про водоснабжение (здесь), про теплоснабжение (здесь), а про вентиляцию (здесь)
В качестве основных преимуществ использования наших затворов поворотных следует упомянуть:
- класс герметичности А (наилучший)
- малый вес и габаритный размер
- малая строительная длина
- оптимальную цену приобретения
- низкую стоимость установки и обслуживания
- герметичное перекрытие потока в обоих направлениях
- тот факт, что с рабочей средой контактируют только две детали: седловое уплотнение и диск
- при монтаже не нужны дополнительные уплотнения, поскольку само седло затвора служит уплотнением соединения
| Условное графическое изображение затвора поворотного дискового на чертежах и схемах: |
 |
 |
 |
|
Вариант 1. |
Вариант 2. |
Вариант 3. |
|
|
|
|
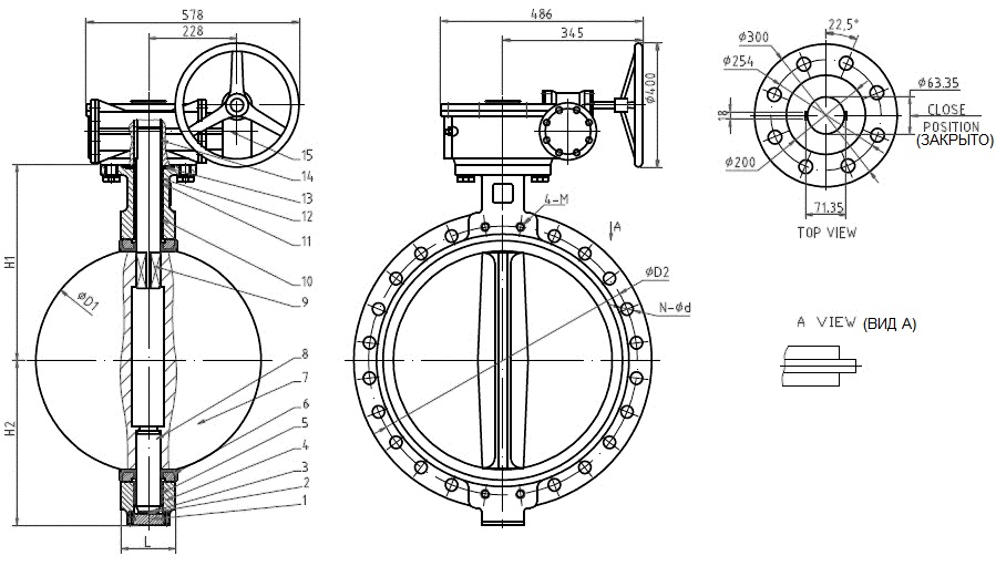
Затвор поворотный ABRA BUV-VF826 Ду700-800, Ру10 и Ру16:

|
Спецификация материалов Ду700 и Ду800:
- Заглушка корпуса - GGG40 - 1 шт.
- Шар опорный - сталь - 1 шт.
- Оправка - сталь - 1шт.
- Корпус - GGG40 - 1 шт.
- Опорный подшипник - бронза - 1 шт.
- Седло - EPDM - 1 шт.
- Диск - никелированный чугун GGG40 - 1 шт.
- Шток - SS416 для Ру10, SS431 для Pу16 - 1 шт.
- Шток - SS416 для Ру10, SS431 для Pу16 - 1 шт.
- Опорный подшипник длинный - бронза - 1 шт.
- Опорный подшипник короткий - бронза - 2 шт.
- Уплотнение - NBR - 1 шт.
- Крышка корпуса - сталь - 1 шт.
- Шпонка - сталь - 2 шт.
- Редуктор - 1 шт.
|
|
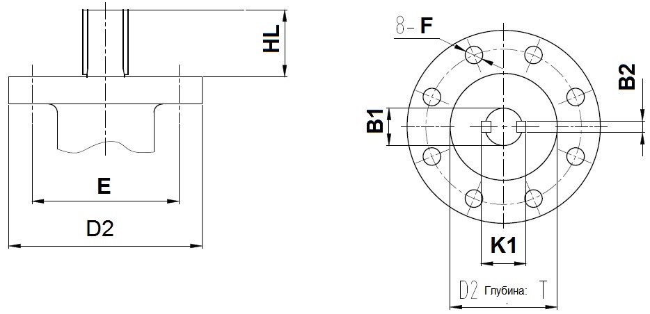
Таблица размеров (дополнительные данные в сводной таблице ниже)
| Размер, мм |
D1 |
Ру10 |
Ру16 |
L |
H1 |
H2 |
| D2 |
N |
d |
M |
D2 |
N |
d |
M |
| Ду(DN) 700 |
695 |
840 |
20 |
31 |
M27 |
840 |
20 |
37 |
M33 |
165 |
624 |
520 |
| Ду(DN) 800 |
796 |
950 |
20 |
34 |
M30 |
950 |
20 |
40 |
M36 |
190 |
672 |
591 |
|
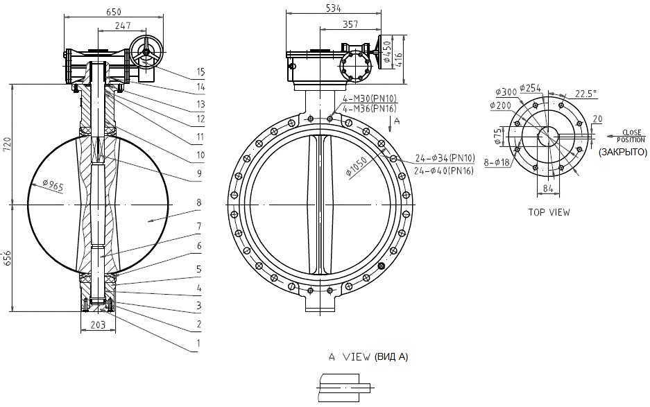
Затвор поворотный ABRA BUV-VF826 Ду900, Ру10 и Ру16, чертеж габаритный и размеры:

|
Спецификация материалов Ду900:
- Заглушка корпуса - GGG40 - 1 шт.
- Оправка - сталь - 1шт.
- Подшипник - подшипниковая сталь - 1 шт.
- Корпус - GGG40 - 1 шт.
- Опорный подшипник - бронза - 1 шт.
- Седло - EPDM - 1 шт.
- Диск - никелированный чугун GGG40 - 1 шт.
- Шток - SS416 для Ру10, SS431 для Pу16 - 1 шт.
- Шток - SS416 для Ру10, SS431 для Pу16 - 1 шт.
- Опорный подшипник длинный - бронза - 1 шт.
- Опорный подшипник короткий - бронза - 2 шт.
- Уплотнение - NBR - 1 шт.
- Крышка корпуса - сталь - 1 шт.
- Шпонка - сталь - 2 шт.
- Редуктор - 1 шт.
|
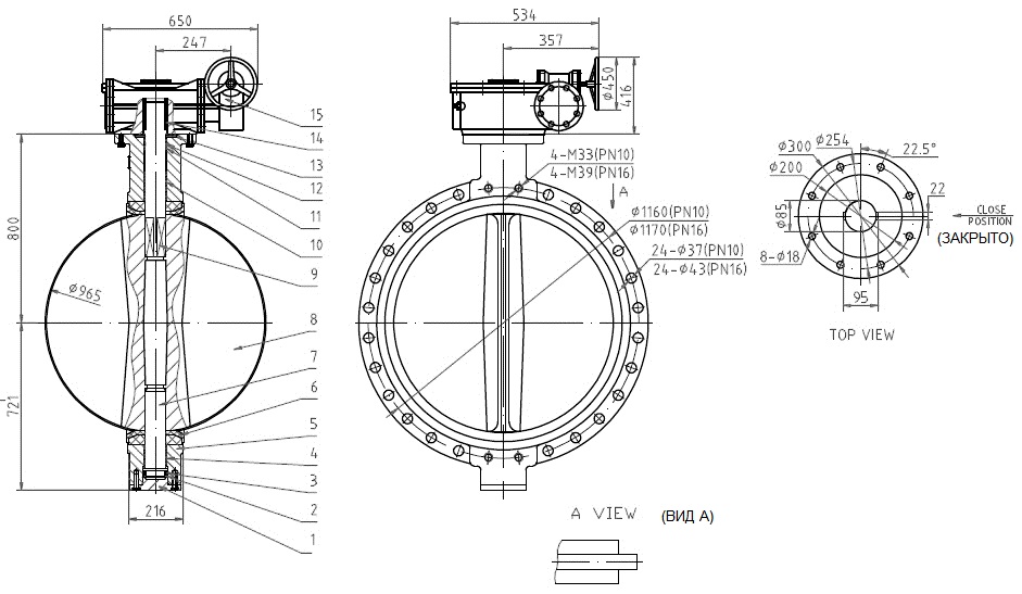
Затвор поворотный ABRA BUV-VF826 Ду1000, Ру10 и Ру16:

|
Спецификация материалов Ду1000:
- Заглушка корпуса - GGG40 - 1 шт.
- Оправка - сталь - 1шт.
- Подшипник - подшипниковая сталь - 1 шт.
- Опорный подшипник - бронза - 1 шт.
- Корпус - GGG40 - 1 шт.
- Седло - EPDM - 1 шт.
- Шток - SS416 для Ру10, SS431 для Pу16 - 1 шт.
- Диск - никелированный чугун GGG40 - 1 шт.
- Шток - SS416 для Ру10, SS431 для Pу16 - 1 шт.
- Опорный подшипник длинный - бронза - 1 шт.
- Опорный подшипник короткий - бронза - 2 шт.
- Уплотнение - NBR - 1 шт.
- Крышка корпуса - сталь - 1 шт.
- Шпонка - сталь - 2 шт.
- Редуктор - 1 шт.
|
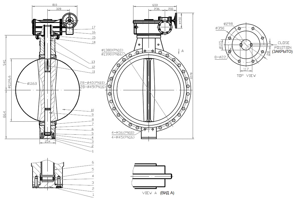
Затвор поворотный ABRA BUV-VF826 Ду1200, Ру10 и Ру16:

|
Спецификация материалов Ду1200:
- Заглушка корпуса - GGG40 - 1 шт.
- Болты - сталь - 4шт.
- Уплотнение - NBR - 1 шт.
- Оправка - сталь - 1шт.
- Подшипник - подшипниковая сталь - 1 шт.
- Опорный подшипник - бронза - 1 шт.
- Корпус - GGG40 - 1 шт.
- Седло - EPDM - 1 шт.
- Шток - SS416 для Ру10, SS431 для Pу16 - 1 шт.
- Диск - никелированный чугун GGG40 - 1 шт.
- Шток - SS416 для Ру10, SS431 для Pу16 - 1 шт.
- Опорный подшипник длинный - бронза - 1 шт.
- Опорный подшипник короткий - бронза - 3 шт.
- Уплотнение - NBR - 1 шт.
- Крышка корпуса - сталь - 1 шт.
- Шпонка - сталь - 2 шт.
- Редуктор - 1 шт.
|
 |
|
|
Габаритные размеры, рабочие давления и температуры, крутящие моменты, вес и Kv (таблица) затвора поворотного дискового чугунного ABRA-BUV-VF826DxxxG Ду700-1200 Ру 10 и Ру 16, межфланцевого. Размеры в мм.
- Покрытие поверхности (окраска) порошковое эпоксидное электростатическое с предварительным нагревом и выдержкой до полной полимеризации.
| Ду / DN |
700
(28") |
800
(32") |
900
(36") |
1000
(40") |
1200
(48") |
| Ру / PN |
10 или 16 бар (1,0 или 1,6 МПа) |
| Диапазон рабочих температур, °C |
Максимально допустимая температура 110 °C,
Минимальная температура окружающей среды -20 °C,
Рабочая температура от -15 до +95 °C |
| Код товара |
ABRA
-BUV-
VF826
D700 |
ABRA
-BUV-
VF826
D800 |
ABRA
-BUV-
VF826
D900 |
ABRA
-BUV-
VF826
D1000 |
ABRA
-BUV-
VF826
D1200 |
| L - строительная длина Строительная длина EN558-1 GR (серия) 20 = ISO 5752 "short", мм |
165 |
190 |
203 |
216 |
254 |
| Межосевое расстояние присоединительных отверстий (фланцев), мм |
Ру10 |
840 |
950 |
1050 |
1160 |
1380 |
| Ру16 |
1170 |
1390 |
| Диаметр штока, мм |
63,4 |
75 |
85 |
105 |
| Шпонка, мм |
18 |
20 |
22 |
28 |
| Тип верхнего монтажного фланца по ISO 5210 (ISO 5211) |
F25 |
F30 |
| HL - высота штока |
66 |
66 |
118 |
142 |
150 |
| Вес с редуктором, кг "Ру10/Ру16" |
400/450 |
480/530 |
770/850 |
900/980 |
1500/1600 |
Крутящий момент, Н*м при полном перепаде
("момент срыва" после простоя может превышать указанный в 1,5 - 2 раза) |
Ру10 |
4400 |
5800 |
7000 |
10000 |
16000 |
| Ру16 |
6200 |
8700 |
12000 |
16000 |
26000 |
| Кv, м3/час при открытии на угол |
90° |
32990 |
49000 |
63460 |
77920 |
99900 |
|
|
|
|
Диаграмма Давление / Температура для затвора поворотного дискового ABRA-BUV-VF826Dxxx Ду700-1200, Ру 10 и Ру 16:

Диаграмма определяет рабочую область дла затвора поворотного дискового ABRA-BUV-VF826Dxxx Ду 700-1200, Ру10, Ру16. в координатах Давление (в барах приборного) / Температура (° C). |
|
Таблица: Описание присоединительных размеров + подходящих стандартов присоединения затвора поворотного дискового чугунного ABRA-BUV-VF826Dxxx Ду700-1200 Ру10 и Ру16. Все размеры в мм.
| Тип присоединения: |
ответные фланцы согласно таблице ниже |
|
Ду700Ру10 |
Ду700Ру16 |
Ду800Ру10 |
Ду800Ру16 |
Ду900Ру10 |
Ду900Ру16 |
Ду1000Ру10 |
Ду1000Ру16 |
Ду1200Ру10 |
Ду1200Ру16 |
| Строительная длина (расстояние между ответными фланцами |
165 мм |
190 мм |
203 мм |
216 мм |
254 мм |
| Количество сквозных отверстий на каждом ответном фланце (КСО) |
24 |
24 |
28 |
28 |
32 |
| Диаметр сквозных отверстий на фланце (ответном!) |
30 |
39 или 36 |
33 |
39 |
33 |
39 |
33 или 36! |
45 или 42! |
39 |
52 или 48! |
| Требвания к ответному крепежу : |
Ду700Ру10 |
Ду700Ру16 |
Ду800Ру10 |
Ду800Ру16 |
Ду900Ру10 |
Ду900Ру16 |
Ду1000Ру10 |
Ду1000Ру16 |
Ду1200Ру10 |
Ду1200Ру16 |
| Рекомендуемая длина шпильки |
М27х300мм-24шт. |
М36х350мм-20шт.+
М33х350мм-4шт. |
М30х350мм-24шт. |
М36х380мм-24шт. |
М30х360мм-28шт. |
М36х390мм-24шт. |
М30х380мм-24шт.+
М33х380мм-4шт. |
М42х420мм-24шт.+
М39х420мм-4шт. |
М36х440мм-32шт |
М48х470мм-28шт.+
М45х470мм-4шт. |
| Гайки |
М27-48шт. |
М36-40шт.+
М33-8шт. |
М30-48шт. |
М36-48шт. |
М30-56шт. |
М36-56шт. |
М30-48шт.+
М33-8шт. |
М42-48шт.+
М39-8шт. |
М36Х-64шт. |
М48-28шт.+
М45-8шт. |
|
|
Подходящие стандарты ответных фланцев :
Сразу оговоримся, что гарантированно подходящими являютcя "воротниковые" фланцы Тип 11 Исполнение A и B по ГОСТ 33259 ряды - см. в таблице ниже (ГОСТ 12821-80 исполнения 1, ряды - см. в таблице ниже по ГОСТ 12815-80), но тем не менее приведем таблицу стандартов ответных фланцев между которыми вполне возможно установить затворы поворотные ABRA-BUV-VF826Dxxx Ду700-1200, если монтажники имеют достаточную квалификацию и строго следуют инструкции по установке и монтажу:
| Стандарт |
Пояснения |
Возможные типы по этому стандарту, гарантированные - см. выше |
PN (Ру) ответных фланцев |
DN (Ду) ответных фланцев |
|
ГОСТ 33259 |
новый стандарты на фланцы |
Все типы (Тип 01,Тип 02,Тип 03, Тип 04, Тип 11,Тип 21), исполнения только A и B.
- DN700-900, DN1000 PN16, DN1200 - ряд 1, ряд 2
- DN1000 PN10 - только ряд 2
(обычные "плоские" фланцы ) |
|
|
| ГОСТ 12815-80 |
Описывает присоединительные размеры и размеры уплотнительных поверхностей (но не тип фланцев) |
Исполнение 1
- Ду 700-900, Ду1200 Ру10 - ряд 1, ряд 2
- Ду1000 Ру10 - только ряд 1
- Ду1000 Ру16 - только ряд 2
- Ду1200 Ру16 - только ряд 2
(обычные "плоские" фланцы ) |
- Для затворов PN(Ру)10 - фланцы на PN(Py) 1,0 МПа (10 кгс/см2)
- Для затворов PN(Ру)16 - фланцы на PN(Py) 1,6 МПа (16 кгс/см2)
|
Такой же, как и DN(Ду) затвора поворотного ABRA-BUV-VF826Dxxx |
| ГОСТ 12820-80 - самые распространенные |
Стальные плоские приварные фланцы |
| ГОСТ 12821-80 - распространенные |
Стальные приварные встык (=воротниковые) фланцы |
| ГОСТ 12822-80 - можно встретить |
Стальные свободные на приварном кольце фланцы |
| ГОСТ 12819-80 - очень редко встречается |
Литые стальные фланцы |
| ГОСТ 12817-80 - очень редко встречается |
Литые из серого чугуна фланцы |
| DIN 2501 (DIN 2633 для Ру16) / EN 1092-1 |
Описывает присоединительные размеры и размеры уплотнительных поверхностей |
Form A, Form B (B1 и B2) - описывает присоединительную поверхность (обычные "плоские" фланцы )
Type - любой, если форма (Form) = см. выше |
- Для затворов PN(Ру)10 - фланцы на PN10
- Для затворов PN(Ру)16 - фланцы на PN16
|
| DIN 2526 - устарел и заменен на EN 1092-1 |
Описывает присоединительные размеры и размеры уплотнительных поверхностей |
Form A, B, C, D, E (обычные "плоские" фланцы ) |
| Старые DIN, с присоединительными поверхностями по DIN 2526 (существовавшие до введения EN 1092) |
Описывают различные типы фланцев |
Form A, B, C, D, E (обычные "плоские" фланцы ) |
|
|
|
|
|
|